Kita telah banyak membahas tentang mesin uji tarik sebelumnya. Selanjutnya, mari kita bahas mengenai mode penggerak mesin uji tarik tipe bench top.
Mesin Uji Tarik Hidrolik
Mesin uji tarik logam hidrolik digerakkan oleh pergerakan naik turun silinder hidrolik untuk menggerakkan grip (penjepit) ke atas dan ke bawah sehingga dapat menjalankan berbagai fungsi pengujian tarik.
Kelebihan:
Dapat melakukan pengujian tarik dengan kapasitas gaya yang besar.
Kekurangan:
Akurasi kontrol tidak terlalu tinggi dan kurang bersih dalam pengoperasian.
Mesin ini umumnya digunakan untuk pengujian material logam, bantalan jembatan, pelat besar, bahan bangunan, material komposit, dan industri lainnya. Kapasitas beban biasanya di atas 300 kN (30 ton).
Prinsip Kerja
Motor menggerakkan pompa oli untuk berputar. Pompa oli menyerap oli dan mengubah energi mekanik menjadi energi tekanan hidrolik. Katup hidrolik mengatur arah, tekanan, dan aliran melalui blok terintegrasi, kemudian menyalurkannya melalui pipa eksternal ke silinder atau motor hidrolik. Sistem ini mengontrol arah gerak, gaya, dan kecepatan mesin hidrolik sehingga proses pengujian dapat dilakukan.
Karakteristik
-
Kecepatan uji relatif rendah karena dibatasi oleh konfigurasi sumber oli.
-
Untuk kapasitas kecil (< 300 kN), efisiensi biaya keseluruhan lebih rendah dibanding mesin bench top, serta kurang fleksibel untuk pengembangan.
-
Katup servo membutuhkan tingkat filtrasi oli hidrolik yang tinggi dan oli harus diganti secara berkala.
-
Pipa dan sambungan hidrolik berpotensi mengalami kebocoran serta menimbulkan kebisingan.
-
Sumber oli hidrolik memerlukan sistem pendingin (pendingin udara atau air) dengan konsumsi energi tinggi.
-
Membutuhkan pondasi khusus sesuai gambar dari produsen, terutama untuk kapasitas besar, serta memerlukan ruang yang luas.
-
Untuk kapasitas besar, gaya penggerak lebih stabil dan hasil uji material lebih andal.
Mesin Uji Tarik Mekanis
Mesin uji tarik logam mekanis digerakkan oleh putaran motor yang memutar screw (ulir), sehingga grip bergerak naik turun. Mesin ini dapat melakukan pengujian tarik, tekan, kupas (peeling), sobek (tearing), geser (shearing), serta uji lentur tiga titik dan lainnya.
Kelebihan utama: kontrol presisi tinggi.
Struktur utama biasanya berupa tipe satu kolom atau tipe portal. Mesin ini cocok untuk pengujian karet, plastik, tekstil, geotekstil, bahan kedap air, kabel, tali kawat, kawat logam, batang logam, pelat logam, dan material lainnya. Dengan tambahan aksesori, mesin dapat digunakan untuk uji lentur, sobek, kupas, dan pengujian lainnya.
Karakteristik
-
Digunakan motor servo dengan struktur kompak, efisiensi energi tinggi, perawatan mudah, kebisingan rendah, serta stabil dan andal.
-
Mendukung tiga sistem kontrol tertutup: kontrol beban, kontrol regangan, dan kontrol perpindahan.
-
Rentang pengukuran gaya luas, dari 0,4% hingga 100% kapasitas penuh, dengan akurasi hingga kelas 0,5.
-
Rentang kecepatan uji dapat diatur dari 0,001 mm/menit hingga 1000 mm/menit.
-
Panjang langkah uji dapat disesuaikan sesuai kebutuhan.
-
Untuk kapasitas di bawah 300 kN, fixture dapat diganti secara fleksibel dan dapat ditambahkan sensor eksternal untuk berbagai jenis pengujian (tarik, tekan, lentur, kupas, sobek, geser, tarik-torsi, dll.).
-
Dapat ditambahkan oven suhu tinggi, oven suhu rendah, atau ruang uji lingkungan untuk simulasi kondisi tertentu.
-
Biaya produksi untuk kapasitas besar relatif lebih tinggi.
Telp/WahtsApp : 0812 1248 2471
Email : alfin@testindo.com
Single Coloumn Series HD-B609C-S C0mputer Servo Tensile Testing

Model: HD-B609C-S
Aplikasi:
Mesin uji tarik servo komputer HD-B609C-S dirancang secara profesional untuk pengujian berbagai kinerja, seperti uji tarik pelepasan, pengelupasan, deformasi, sobek, daya rekat, gaya tembus, gaya buka, gaya pelepasan pada kecepatan rendah, gaya tarik keluar, dan pengujian lainnya. Mesin ini digunakan pada produk seperti film plastik, film pelindung, material komposit, bahan kemasan fleksibel, selang plastik, perekat, pita perekat, stiker, plester medis, peralatan medis, penutup kombinasi, foil logam, diafragma, bahan pelapis, kain nonwoven, karet, kertas, dan produk sejenis lainnya.

Metode Pemilihan Mesin Uji Tarik
Haida International Equipment Co., Ltd. mengkhususkan diri dalam produksi mesin uji universal untuk pengujian tarik. Beberapa hal penting yang perlu diperhatikan saat membeli mesin uji tarik universal dirangkum sebagai berikut:
1. Kapasitas, Stroke Pengujian, dan Konfigurasi
-
Rentang tegangan dan sensor gaya yang berbeda akan mempengaruhi struktur mesin, yang langsung berpengaruh pada biaya alat.
-
Untuk produsen kemasan fleksibel umum, rentang tegangan 300 Newton sudah cukup.
-
Stroke pengujian untuk film kemasan fleksibel biasanya 600–800 mm.
-
Konfigurasi cerdas tersedia dalam tiga opsi: host, komputer, dan printer.
-
Fungsi mikrokomputer dapat langsung mencetak tiket elektronik.
-
Komputer biasa juga bisa dipasang, tapi harus dilengkapi dengan software pengujian profesional untuk analisis data kompleks: laporan uji, editing data, amplifikasi lokal, form laporan yang dapat disesuaikan, dan analisis statistik kelompok.
-
2. Jenis Ujian
Mesin uji tarik multi-fungsi dibutuhkan untuk kemasan fleksibel, sehingga dengan fixture yang berbeda, mesin dapat digunakan untuk:
-
Tarik, kompresi, tekuk, sobek, geser
-
Uji pengelupasan 180° dan 90°
-
Ketahanan tekuk tiga titik dan empat titik
3. Kecepatan Pengujian
-
Beberapa mesin uji tarik desktop: 30–400 mm/menit, ada juga yang 0,01–500 mm/menit.
-
Sistem pertama menggunakan regulasi kecepatan biasa, murah tapi akurasi rendah.
-
Sistem kedua menggunakan servo, mahal tapi presisi tinggi.
-
-
Untuk perusahaan kemasan fleksibel, sistem servo dengan kecepatan 0,01–500 mm/menit ideal karena akurat dan harga masih wajar.
Catatan: Sistem regulasi kecepatan sekitar 10.000 yuan, karena harga servo motor sekitar 4.500 yuan/unit.
4. Akurasi Pengukuran
-
Meliputi: akurasi gaya, kecepatan, deformasi, dan perpindahan.
-
Mesin uji tarik Kington dapat mencapai akurasi ±0,3%, tapi untuk produsen umum, 1% sudah cukup.
-
Resolusi gaya mesin Kington bisa mencapai 1/200.000.
5. Sistem Transmisi
-
Screw drive (baut ulir): mahal, presisi tinggi, uji berulang tinggi.
-
Rack drive (rak gigi): murah, presisi rendah, uji berulang rendah.
-
Mesin uji tarik desktop untuk kemasan fleksibel harus menggunakan screw drive, karena memerlukan presisi tinggi.
-
Jenis screw: ball screw, trapezoid screw, dan general screw
-
Ball screw paling akurat, tapi memerlukan sistem servo komputer dan harganya lebih tinggi.
-
Ball screw bisa impor atau lokal, ada perbedaan besar pada harga dan kualitas.
-
6. Sensor
-
Biaya utama terletak pada umur pakai. Sensor berkualitas bisa digunakan >100.000 kali.
-
Sensor mempengaruhi hasil pengujian. Sensor lokal biasanya akurasi rendah dibanding sensor impor.
-
Produsen sebaiknya menanyakan spesifikasi sensor saat membeli.
7. Kualitas Mesin
-
Platform mesin uji tarik desktop ibarat bodi mobil, harus memenuhi semua persyaratan di atas.
Jika Anda ingin membeli mesin uji tarik, kami berharap Haida International menjadi pilihan pertama Anda.
Telp/WahtsApp : 0812 1248 2471
Email : alfin@testindo.com
Single Coloumn Series HD-B609C-S C0mputer Servo Tensile Testing

Model: HD-B609C-S
Aplikasi:
Mesin uji tarik servo komputer HD-B609C-S dirancang secara profesional untuk pengujian berbagai kinerja, seperti uji tarik pelepasan, pengelupasan, deformasi, sobek, daya rekat, gaya tembus, gaya buka, gaya pelepasan pada kecepatan rendah, gaya tarik keluar, dan pengujian lainnya. Mesin ini digunakan pada produk seperti film plastik, film pelindung, material komposit, bahan kemasan fleksibel, selang plastik, perekat, pita perekat, stiker, plester medis, peralatan medis, penutup kombinasi, foil logam, diafragma, bahan pelapis, kain nonwoven, karet, kertas, dan produk sejenis lainnya.
Fitur:
Peningkatan dan pembaruan komponen serta optimalisasi struktur fungsional
- Menggunakan komponen berkualitas tinggi seperti sensor berkapasitas kecil, motor servo Panasonic (tipe multifungsi) beserta driver yang sesuai, serta reduktor planet Muteng (tipe senyap) untuk membuat data pengujian viskositas rendah lebih akurat dan mengurangi kesalahan.
- Mengurangi kebisingan abnormal agar memenuhi persyaratan pengujian viskositas rendah.
- Meniadakan layar sentuh dan hanya menghubungkan ke komputer untuk menghindari gangguan pada data pengujian.
- Dilengkapi dengan desain fungsi operasi serta penandaan naik dan turun secara manual sehingga instrumen lebih mudah dan nyaman digunakan.
Standards:
TAPPI-T804, JIS-20212, GB4857.3.4, ASTM-D642, QB/T1048, BS EN ISO 12048, GB/T4857.16, GB/T8167, GB/T8168, GB/T4857.3, GB/T4857.4
|
Item |
Description |
|
Capacity |
5kg Transcell load cell(USA) |
|
Motor |
400w Panasonic servo motor |
|
Driver |
400w Panasonic servo driver |
|
Screw |
Ball screw |
|
Control mode |
Computer & Software |
|
Speed |
0.1-500mm/min, adjustable |
|
Stroke |
900mm(excluding fixture) |
|
Load resolution |
1/250,000 |
|
Load accuracy |
≤0.5% |
|
Testing force range |
1g-5kg |
|
Unit |
gf/kgf/N//kN/LBf/T |
|
Dimension |
(L*W*H)515*520*1250mm |
|
Load cell capacity |
5KG |
|
Bearing/Bearing steel |
32004(Imported NSK) |
|
Protective cover |
Nylon cloth with size of 110*15*1500mm |
|
Circuit board |
HD-002-A |
|
Weight |
About 68KG |
|
Power supply |
1∮ AC 220V |
Telp/WahtsApp : 0812 1248 2471
Email : alfin@testindo.com
Double Coloumn Series HD-B604 Universal Tensile Test Machine

Model: HD-B604-S
Fitur:
Satu alat uji yang mengintegrasikan berbagai fungsi pengujian independen seperti tarik, deformasi, pengelupasan, sobek, dan tekan, serta menyediakan beragam item pengujian yang dapat dipilih oleh pengguna.
-
Menyediakan analisis data untuk tegangan tarik konstan, modulus elastis, tegangan, dan regangan;
-
Menggunakan sistem penggerak sekrup dan mur bola dengan dua pilar untuk memastikan presisi tinggi dan pengoperasian yang halus;
-
Peralatan mengadopsi desain miniaturisasi dan integrasi struktur, sehingga dapat memenuhi kebutuhan pengujian di berbagai kondisi penggunaan;
-
Kecepatan dapat diatur tanpa tingkat dari 1 hingga 500 mm/menit, memudahkan pengujian pada berbagai kondisi uji;
-
Dilengkapi konfigurasi cerdas seperti perlindungan batas bertingkat, perlindungan beban berlebih, pengembalian otomatis berkecepatan tinggi, dan notifikasi kesalahan untuk menjamin keselamatan pengoperasian;
-
Menggunakan sistem tertanam dan tombol membran, sehingga memudahkan pengguna melakukan pengujian dengan cepat;
-
Sistem kontrol tertanam secara efektif menjamin keamanan sistem serta meningkatkan keandalan manajemen data dan proses pengujian;
-
Sistem dilengkapi dengan 4 port USB dan 2 port jaringan untuk memudahkan transmisi data dan koneksi eksternal;
- Perangkat lunak profesional menyediakan analisis statistik berupa overlay kurva uji kelompok, nilai maksimum, minimum, rata-rata, dan simpangan baku.
|
Index |
Parameters |
|
Load capacity |
5-2000kg |
|
Load cell brand |
Germany brand TECSIS load cell |
|
Motor |
400w Panasonic serve motor |
|
Driver |
400wPanasonic serve driver |
|
Screw |
High precision imported ball screw |
|
Control Mode |
Computerized ,windows mode operation |
|
Test Speed |
0.1-500mm/min (Adjustable) |
|
Vertical space |
1200mm(including clamp) |
|
Load Resolution |
1/250,000 |
|
Load accuracy |
≤0.5% |
|
Unit switching |
gf/kgf/N//kN/LBf/T |
|
Dimension |
(L*W*H)880*505*1470mm |
|
Weight |
90KG Approx |
|
Power |
1∮ AC 220V |
Telp/WahtsApp : 0812 1248 2471
Email : alfin@testindo.com
Hydraulic Universal Series 5000KN Hydraulic Universal Tensile Testing Machine

Model: HD-620
Mesin Uji Tarik Universal Hidrolik 1000 kN
1. Pengenalan Mesin
Mesin uji universal hidrolik menggunakan silinder oli yang dipasang di bagian bawah mesin utama, dan terutama digunakan untuk pengujian tarik, tekan, dan lentur pada material logam maupun non-logam. Mesin ini banyak digunakan di bidang metalurgi, konstruksi, industri ringan, penerbangan, kedirgantaraan, material, perguruan tinggi, serta lembaga penelitian.
Pengoperasian pengujian dan pemrosesan data sesuai dengan persyaratan standar GB228-2002 “Metode uji tarik material logam pada suhu ruang”.
Unit Utama (Host)
Mesin uji universal hidrolik mengadopsi tipe silinder oli yang dipasang di bawah. Ruang uji tarik berada di bagian atas mesin, sedangkan ruang uji tekan berada di antara meja kerja dan crossbeam.
Sistem Transmisi
Balok bawah bergerak naik dan turun menggunakan motor reduktor, mekanisme penggerak rantai, dan penggerak sekrup, sehingga memungkinkan penyesuaian ruang uji untuk pengujian tarik dan tekan.
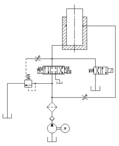
Sistem Hidrolik
Oli hidrolik di dalam tangki digerakkan oleh motor untuk memompa oli bertekanan tinggi ke dalam sistem. Oli mengalir melalui katup satu arah, filter oli tekanan tinggi, katup diferensial, dan katup servo, lalu masuk ke silinder oli.
Sinyal kontrol dari komputer mengatur bukaan dan arah katup servo untuk mengendalikan aliran oli ke dalam silinder, sehingga tercapai kontrol gaya uji konstan dan perpindahan konstan. Oli kemudian kembali ke tangki melalui pipa dan katup pengembalian.
Sistem Kontrol
-
Mendukung pengujian tarik, tekan, geser, lentur, dan pengujian lainnya;
-
Mendukung pengeditan metode uji, standar, dan prosedur pengujian, serta ekspor dan impor data uji dan standar;
-
Mendukung pengaturan parameter uji secara khusus;
-
Menggunakan format terbuka berbasis EXCEL, mendukung format laporan yang dapat disesuaikan oleh pengguna;
-
Mendukung pencarian dan pencetakan hasil uji secara fleksibel, termasuk pencetakan beberapa sampel dan pengurutan item cetak sesuai kebutuhan;
-
Program mendukung manajemen hak pengguna bertingkat (administrator dan operator penguji);
Perangkat Perlindungan Keamanan
a) Jika gaya uji melebihi 3% dari gaya uji maksimum, sistem perlindungan beban berlebih akan aktif dan motor pompa oli akan berhenti;
b) Saat piston naik hingga batas atas, perlindungan langkah akan aktif dan motor pompa akan berhenti.
Perlengkapan (Fixture)
Satu set perlengkapan lengkap meliputi: perlengkapan uji tarik, perlengkapan uji tekan, dan perlengkapan uji lentur.
2. Spesifikasi Utama
-
Beban uji maksimum: 300 kN
| Max. Test load | 300KN |
| Load range | 300KN-1000KN |
| Relative error of indicate value of load | ≤ ±0.5% |
| Max. Ram stroke | 200mm |
| Max. Tensile space | 800mm(including piston stroke) |
| Max. Compression space | 700mm(including piston stroke) |
| Display | Computer control and display |
| Tensile grips for round specimen | φ6-φ26mm |
| Tensile grips for flat specimen | 0-15mm |
| Distance for two columns | 500mm |
| Upper and lower platen size | 200×200mm |
| The span of bending | 450mm |
| Width of bending roller | 140mm |
| Dia. of bending roller | 30mm |
| Clamping mode | Hydraulically |
| Transducer | Load cell |
| Deformation measuring | YYU–10∕50 |
| Dimensions of load frame | 990×600×2435mm |
| Dimension of controller | 1140×700×930mm |
| All weight | 2800kg |
3. Rangka Beban

5000KN Hydraulic Universal Tensile Testing Machine
-
Konstruksi empat kolom yang kaku dan desain kompak
-
Desain dual workspace:
-
Area atas untuk uji tarik
-
Area bawah untuk uji kompresi dan tekuk
-
-
Crosshead bawah dapat digerakkan, memudahkan operasi
-
Pengukuran gaya akurat menggunakan load cell presisi
-
Hydraulic wedge grips terbuka memudahkan penggantian insert dan penempatan sampel
-
Displacement photoelectric encoder terintegrasi
-
Silinder terpasang di bagian bawah mesin

Karakteristik Prinsip Tekanan Hidrolik
-
Menggunakan pompa tekanan tinggi impor, menghasilkan tekanan stabil dan suara lebih rendah
-
Desain terintegrasi antara sistem dinamis dan console, mudah dioperasikan dan menghemat ruang uji
-
Permukaan diberi perlakuan semprot (spray treatment) sehingga tampilan mesin lebih estetis
Telp/WahtsApp : 0812 1248 2471
Email : alfin@testindo.com
Fixtures With Sample Short mouth pull clamp-with Tension Ring
Model: HD-B808
Spesifikasi
-
Klem tarik mulut pendek
-
Operasi mudah
-
Berkualitas tinggi
-
Umur pakai panjang
-
Banyak digunakan & laris
Ringkasan Produk
Perlengkapan uji tarik universal
Parameter Teknis
-
Model: HD-B808
-
Kegunaan: Perlengkapan uji tarik universal
Catatan: VISE-GRIP dari Amerika Serikat, klem tipe 5WR, 7CR, 10CR, dimodifikasi.
Perlengkapan uji tarik universal, HZ-2123 Short Mouth Pull Clamp – dilengkapi dengan Tension Ring.

